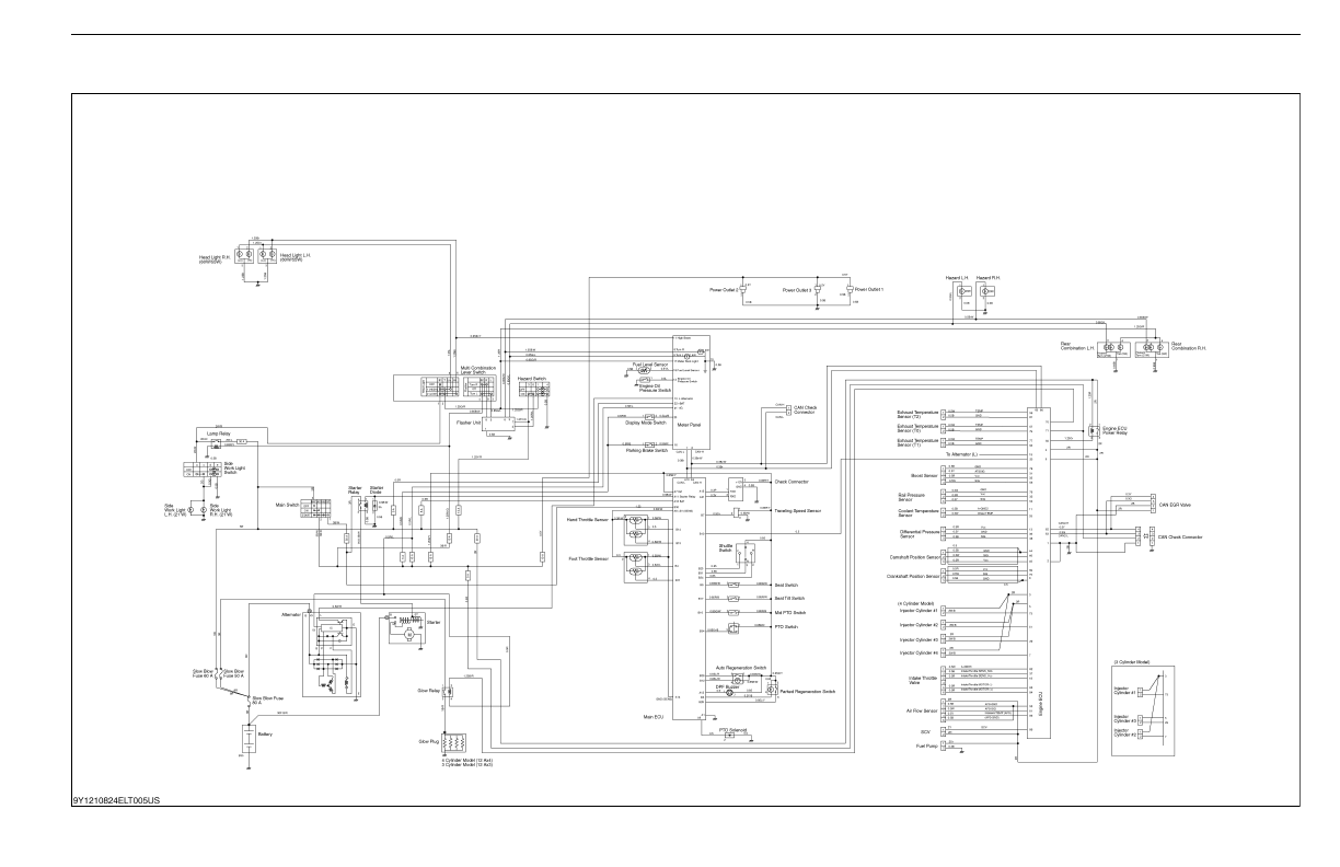
2. ELECTRICAL CIRCUIT; [1] MANUAL TRANSMISSION (WITHOUT CCV HEATER)- Page 595

Kubota L3560 Owners Manual

2014 Dodge Charger SRT Owner Manual

Table of Contents

L3560,L4060,L4760,L5060,L5460,L6060
9 ELECTRICAL SYSTEM
background image

ELECTRICAL SYSTEM

L3560, L4060, L4760, L5060, L5460, L6060, WSM

9-M9

2. ELECTRICAL CIRCUIT

[1] MANUAL TRANSMISSION (WITHOUT CCV HEATER)

KiSC issued 03, 2016 A

Detailed Information for Kubota L3560 Owners Manual

Related Documents for Kubota L3560 Owners Manual